We manufacture all types of bolts, nuts and washers
IS 12427 : 2001
Steel Hardness: 5.8 , 8.8
Finish: Hot Dip Galvanized
| Dimensions / Weight Chart | ||||||||||||
|---|---|---|---|---|---|---|---|---|---|---|---|---|
| Dimensions of Hexagon Head Transmission Tower Bolts | ||||||||||||
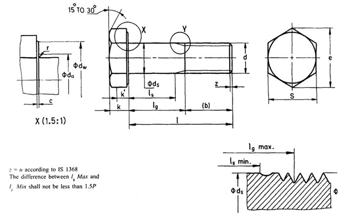
| Nom. Dia. (d) | M12 | M16 | M20 | (M22) | M24 | |||||||
| Thread Pitch | 1.75 | 2 | 2.5 | 2.5 | 3 | |||||||
| b (ref) | 20 | 23 | 26 | 28 | 30 | |||||||
| C | Max. | 0.6 | 0.8 | 0.8 | 0.8 | 0.8 | ||||||
| Da | Max. | 14.7 | 18.7 | 24.4 | 26.4 | 28.4 | ||||||
| Ds | Max. | 12.7 | 16.7 | 20.84 | 22.84 | 24.84 | ||||||
| Min. | 11.3 | 15.3 | 19.16 | 21.16 | 23.16 | |||||||
| Dw | Max. | 18 | 24 | 30 | 34 | 36 | ||||||
| Min. | 16.47 | 22 | 27.7 | 31.35 | 33.25 | |||||||
| e | Min. | 19.85 | 26.17 | 32.95 | 37.29 | 39.55 | ||||||
| k | Nom. | 7.5 | 10 | 12.5 | 14 | 15 | ||||||
| Max. | 7.95 | 10.75 | 13.4 | 14.9 | 15.9 | |||||||
| Min. | 7.05 | 9.25 | 11.6 | 13.1 | 14.1 | |||||||
| kâ | Min. | 4.95 | 6.48 | 8.12 | 9.17 | 9.87 | ||||||
| r | Min. | 0.6 | 0.6 | 0.8 | 0.8 | 0.8 | ||||||
| s | Max. | 18 | 24 | 30 | 34 | 36 | ||||||
| Min. | 17.57 | 23.16 | 29.16 | 33 | 35 | |||||||
| Length â Size Combinations and Grip Ranges | |||||||||||||||
|---|---|---|---|---|---|---|---|---|---|---|---|---|---|---|---|
| Thread | M12 | M16 | M20 | M22 | M24 | ||||||||||
| Size d | ls | Lg | Grip | ls | Lg | Grip | ls | Lg | Grip | ls | Lg | Grip | ls | Lg | Grip |
| Min. | Max. | Range | Min. | Max. | Range | Min. | Max. | Range | Min. | Max. | Range | Min. | Max. | Range | |
| 30 | 65 | 10 | 6-10 | - | - | - | - | - | - | - | - | - | - | - | - |
| 35 | 11.5 | 15 | 11-15 | 8 | 12 | 8-12 | - | - | - | - | - | - | - | - | - |
| 40 | 16.5 | 20 | 16-20 | 13 | 17 | 13-17 | 9 | 14 | 11-14 | 7 | 12 | 8-12 | - | - | - |
| 45 | 21.5 | 25 | 21-25 | 18 | 22 | 18-22 | 14 | 19 | 15-19 | 12 | 17 | 13-17 | 9 | 15 | 11-15 |
| 50 | 26.5 | 30 | 26-30 | 23 | 27 | 23-27 | 19 | 24 | 20-24 | 17 | 22 | 18-22 | 14 | 20 | 16-20 |
| 55 | 31.5 | 35 | 31-35 | 28 | 32 | 28-32 | 24 | 29 | 25-29 | 22 | 27 | 23-27 | 19 | 25 | 21-25 |
| 60 | 36.5 | 40 | 36-40 | 33 | 37 | 33-37 | 29 | 34 | 30-34 | 27 | 32 | 28-32 | 24 | 30 | 36-30 |
| 65 | 41.5 | 45 | 41-45 | 38 | 42 | 38-42 | 34 | 39 | 35-39 | 32 | 37 | 33-37 | 29 | 35 | 31-35 |
| 70 | 46.5 | 50 | 46-50 | 43 | 47 | 43-47 | 39 | 44 | 40-44 | 37 | 42 | 38-42 | 34 | 40 | 36-40 |
| 75 | 51.5 | 55 | 51-55 | 48 | 52 | 48-52 | 44 | 49 | 45-49 | 42 | 47 | 43-47 | 39 | 45 | 41-45 |
| 80 | 56,5 | 60 | 56-60 | 53 | 57 | 53-57 | 49 | 54 | 50-54 | 47 | 52 | 48-52 | 44 | 50 | 46-50 |
| 85 | 61.5 | 65 | 61-65 | 58 | 62 | 58-62 | 54 | 59 | 55-59 | 52 | 57 | 53-57 | 49 | 55 | 51-55 |
| 90 | 66.5 | 70 | 66-70 | 63 | 67 | 63-67 | 59 | 64 | 60-64 | 57 | 62 | 58-62 | 54 | 60 | 56-60 |
| 95 | 71.5 | 75 | 71-75 | 68 | 72 | 68-72 | 64 | 69 | 65-69 | 62 | 67 | 63-67 | 59 | 65 | 61-65 |
| 100 | 76.5 | 80 | 76-80 | 73 | 77 | 73-77 | 69 | 74 | 70-74 | 67 | 72 | 68-72 | 64 | 70 | 66-70 |
| 105 | 78 | 82 | 78-82 | 74 | 79 | 75-79 | 72 | 77 | 73-77 | 69 | 75 | 71-75 | |||
| 110 | 83 | 87 | 83-87 | 79 | 84 | 80-84 | 77 | 82 | 78-82 | 74 | 80 | 76-80 | |||
| 115 | 88 | 92 | 88-92 | 84 | 89 | 85-89 | 82 | 87 | 83-87 | 79 | 85 | 81-85 | |||
| 120 | 93 | 97 | 93-97 | 89 | 94 | 90-94 | 87 | 92 | 88-92 | 84 | 90 | 86-90 | |||
| 125 | 98 | 102 | 98-102 | 94 | 99 | 95-99 | 92 | 97 | 93-97 | 89 | 95 | 91-95 | |||
| 130 | 103 | 107 | 103-107 | 99 | 104 | 100-104 | 97 | 102 | 98-102 | 94 | 100 | 96- I00 | |||
| 135 | 108 | 112 | 108-112 | 104 | 109 | 105-109 | 102 | 107 | 103-107 | 99 | 105 | 101-105 | |||
| 140 | 113 | 117 | 113-117 | 109 | 114 | 110-114 | 107 | 112 | 108-112 | I04 | 110 | 106-110 | |||
| 145 | 118 | 122 | 118-122 | 114 | 119 | 115-119 | 112 | 117 | 113-117 | 109 | 115 | 111-115 | |||
| 150 | 123 | 127 | 123-127 | 119 | 124 | 120-124 | 117 | I22 | 118-122 | 114 | 120 | 116-120 | |||
| 155 | I28 | 132 | 128-132 | 124 | 129 | 125-129 | 122 | I27 | 123-127 | 119 | 125 | 121-125 | |||
| 160 | 133 | 137 | 133-137 | 129 | I34 | 130-134 | 127 | 132 | 128-132 | 124 | 130 | 126-130 | |||